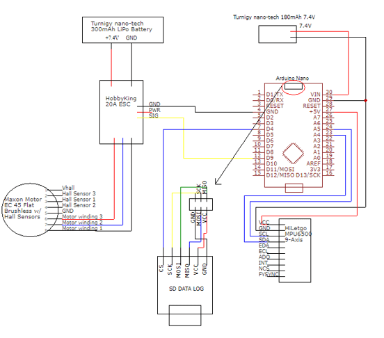
As a Ronald E. McNair Post-Baccalaureate scholar, I conducted research with my faculty adviser, Dr. Praveen Shankar of the College of Engineering, on the Payload Stabilization and Pointing for an All-Rotating Aerial Vehicle. The Aerospace Corporation developed an all-rotating aircraft bio-inspired by samaras and posed the challenge of designing a way to track an object in an all-rotating reference frame. I used this opportunity to gain skills outside my major studies and worked on the electronics and control system for the stabilizing mechanism.
I presented this research at two CSULB McNair symposiums in addition to presenting with my team at the International Mechanical Engineering Congress and Exposition 2020 Virtual Conference and being published. This project gave me the opportunity to explore outside my comfort zone which enabled me to find a passion in embedded controls, autonomy, and data acquisition.



